HA225双路温度变送器(热电阻变送器/热电偶变送器) (二入二出:PT100/CU50/K/S/B/E/T/J/N/R/We5-26) 输入/输出范围选型(代码)
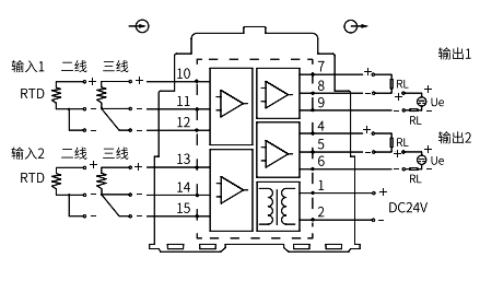
| HA225 双路温度隔离变送器,又称双路热电阻变送器/双路热电偶变送器/双路温度隔离器等,它将2路热电阻/热电偶信号隔离转换为与温度成线性的2路直流信号(如:0~10V/4~20mA),并输出至制系统或其它智能仪表。输入-输出-电源-通道间多方电磁全隔离抗干扰,专业有效解决工业现场干扰及信号转换匹配问题,保证系统的可靠稳定运行。可完全替代进口产品。 HA225双路温度隔离变送器采用高性能单片机,专用于温度信号校正,线性化及冷端补偿,在线性校正方面优势比较突出,完全可替代国外同类高端产品。自动零点校准,自动温度补偿线性化技术,高精度,低温漂,低功耗,长寿命。导轨式密集安装,使用简单方便,大量应用于信号传输采集系统中。 产品特点 l 2入2出:将2路热电阻/热电偶信号隔离变送为标准信号4~20mA/0~10V l 全智能数字化,零点和満度自动校准,自动温度补偿,单片机自动校正 l 具备高可靠、高稳定性,符合EMC电磁干扰标准 l 超薄设计,可带电插拔式端子,SMT表贴工艺及厚膜集成技术 l 模块化表芯设计,高品质元器件,带电源指示和断线报警 l 隔离变送一体,输入/输出/电源/两通道间多方全隔离 l 专业级抗干扰芯片,低功耗/低温漂/高精度/长寿命 l 标准DIN35导轨,密集式安装,方便快捷实用 l 多年技术积累,产品成熟,性能稳定可靠,可完全替代进口产品 热电阻应用连线
热电偶应用连线 外形尺寸 选型说明 标明输入、输出信号的代码 例1:输入2路PT100(0~300℃),输出2路4~20mA,工作电源24VDC 则双路热电阻变送器型号为 HA225-P6 (0~300℃) 例1:输入2路K型热电偶(0~800℃),输出2路4~20mA,工作电源24VDC 则双路热电偶变送器型号为 HA225-K6 (0~800℃) | ||||||||||||||||||||||||||||||||||||||||||||||||||||||||||||||||||||||||||||||||||||||||||||||||||||||||||||||||||||||||||||||||||||||||||||||











